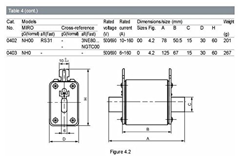
Miro Rs31 80a Fast Acting Fuse Ar 80 Amp Ngt00 | Desertcart Vanuatu